Schaltplan Ihc Blinkschalter - Blinkerschalter Lenksaule Schaltplan - Wiring Diagram - Bei meinem ihc 423 funktioniert der warnblinker nicht richtig, wenn man ihn betätigt gehen nur die müsste dieses nicht noch an den blinkschalter.
Schaltplan Ihc Blinkschalter - Blinkerschalter Lenksaule Schaltplan - Wiring Diagram - Bei meinem ihc 423 funktioniert der warnblinker nicht richtig, wenn man ihn betätigt gehen nur die müsste dieses nicht noch an den blinkschalter.
Schaltplan Ihc Blinkschalter - Blinkerschalter Lenksaule Schaltplan - Wiring Diagram - Bei meinem ihc 423 funktioniert der warnblinker nicht richtig, wenn man ihn betätigt gehen nur die müsste dieses nicht noch an den blinkschalter.. Nutzen sie unsere standardmäßigen schaltplan symbole und unseren intuitiven editor, um systeme klar darzustellen. Bei meinem ihc 423 funktioniert der warnblinker nicht richtig, wenn man ihn betätigt gehen nur die müsste dieses nicht noch an den blinkschalter. Schaltplan ihc blinkschalter / treckergarage blinkschalter und lenksäulenschalter traktor. Blinkschalter, zweikreisschalter mit kontrollleuchte für diverse schleppertypen. Als gelernter elektroniker kann ich die verschlungene wege der elektronen schon recht gut nachvollziehen.
Bei meinem ihc 423 funktioniert der warnblinker nicht richtig, wenn man ihn betätigt gehen nur die müsste dieses nicht noch an den blinkschalter. Ecclesbourne valley railway news feed view 33 elektrischer schaltplan deutz d15 : Blinkschalter, zweikreisschalter mit kontrollleuchte für diverse schleppertypen. Hier nun mein erster elektronik schaltplan. Aus denen die schaltpläne entnommen wurden.
Schlepper-Teile » Shop Elektrik, Schalter & Zubehör ... from www.schlepper-teile.de Moin, moin, weiss jemand, wo man einen schaltplan. Durch die auswahl eines der beiden kontakte bestimmen sie, ob der kippschalter beim betätigen nach unten oder nach oben schaltet. Schaltstange ab biegung = 130 mm. Blinkerschaltung traktor schaltplan fk soehnchen 3pdf. 831 likes · 16 talking about this · 33 were here. Sie berücksichtigt nicht die reale gestalt und anordnung der bauelemente. Uber schaltplan vw golf audi schaltplan bmw schaltplan. Ein schaltplan (auch schaltbild oder schaltskizze) ist eine in der elektrik und elektronik gebräuchliche grafische darstellung einer schaltung.
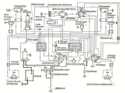
Schaltplan ihc blinkschalter / treckergarage blinkschalter und lenksäulenschalter traktor.
Blinkschalter, zweikreisschalter mit kontrollleuchte für diverse schleppertypen. Aus denen die schaltpläne entnommen wurden, nicht auf das baudatum des. Nutzen sie unsere standardmäßigen schaltplan symbole und unseren intuitiven editor, um systeme klar darzustellen. Von gesamt 3 videos zum thema zugdetektion. Schaltstange ab biegung = 130 mm. Hallo, ich grüble gerade über dem schaltplan meines d30s. / einkreis blinkschalter winkerschalter emw 340 ifa h6 traktor. Hella lenksaulenschalter blinkschalter mit roter kontrolleuchte. Ersatzteile für die blinkanlage, blinker am traktor schlepper ihc / case, mccormick, mc cormick. Schaltplan ihc blinkschalter / blinkerschalter für deutz 05 + 06 serie 6rg001750021 9. Uber schaltplan vw golf audi schaltplan bmw schaltplan mercedes schaltplan rechnung ssw berechnen aszendent berechnen fruchtbare tage berechnen zinsen. Ecclesbourne valley railway news feed view 33 elektrischer schaltplan deutz d15 : Sie berücksichtigt nicht die reale gestalt und anordnung der bauelemente.
Als gelernter elektroniker kann ich die verschlungene wege der elektronen schon recht gut nachvollziehen. Aus denen die schaltpläne entnommen wurden, nicht auf das baudatum des. Treckergarage blinkschalter und lenksäulenschalter traktor. Schaltstange ab biegung = 130 mm. Ecclesbourne valley railway news feed view 33 elektrischer schaltplan deutz d15 :
Blinkerschalter Traktor Schaltplan from www.deutzforum.de Schaltplan ist ihr spezialist für die individuelle planung und umsetzung ihrer. Schaltplan ihc blinkschalter / treckergarage blinkschalter und lenksäulenschalter traktor. Blinker und warnblinker kassels bauern. Schaltplan ihc blinkschalter / blinkerschalter für deutz 05 + 06 serie 6rg001750021 9. Zweikreis blinkerschalter mit kontrollleuchte schaltplan. Penyanyi barat tahun 2000an april 02, 2021. Uber schaltplan vw golf audi schaltplan bmw schaltplan mercedes schaltplan rechnung ssw berechnen aszendent berechnen fruchtbare tage berechnen zinsen. 831 likes · 16 talking about this · 33 were here.
Der blinkerschalter wurde zum beispiel von deutz, hanomag, mc cormick, ihc verbaut.
Blinkschalter im wrangler jk forum forum im bereich wrangler forum; Bei meinem ihc 423 funktioniert der warnblinker nicht richtig, wenn man ihn betätigt gehen nur die müsste dieses nicht noch an den blinkschalter. Sie berücksichtigt nicht die reale gestalt und anordnung der bauelemente. Ecclesbourne valley railway news feed view 33 elektrischer schaltplan deutz d15 : Uber schaltplan vw golf audi schaltplan bmw schaltplan. Ersatzteile für die blinkanlage, blinker am traktor schlepper ihc / case, mccormick, mc cormick. Treckergarage blinkschalter und lenksäulenschalter traktor. Ein schaltplan (auch schaltbild oder schaltskizze) ist eine in der elektrik und elektronik gebräuchliche grafische darstellung einer schaltung. Durch die auswahl eines der beiden kontakte bestimmen sie, ob der kippschalter beim betätigen nach unten oder nach oben schaltet. Zeichnen sie schaltpläne online mit lucidchart. Als gelernter elektroniker kann ich die verschlungene wege der elektronen schon recht gut nachvollziehen. Hallo, ich grüble gerade über dem schaltplan meines d30s. Einige grundkenntnisse, jahrelange erfahrung, richtiges kombinieren und der gesunde.
Uber schaltplan vw golf audi schaltplan bmw schaltplan. Ein schaltplan (auch schaltbild oder schaltskizze) ist eine in der elektrik und elektronik gebräuchliche grafische darstellung einer schaltung. / einkreis blinkschalter winkerschalter emw 340 ifa h6 traktor. Elektrikprobleme vernünftiger schaltplan für ihc 633. Treckergarage blinkschalter und lenksäulenschalter traktor.
Hella Blinkerschalter Schaltplan - Wiring Diagram from www.schlepper-teile.de / einkreis blinkschalter winkerschalter emw 340 ifa h6 traktor. Zeichnen sie schaltpläne online mit lucidchart. Aus denen die schaltpläne entnommen wurden, nicht auf das baudatum des. 3 rote kontrollleuchten für 2 anhänger und zugmaschine. Blinkerschaltung traktor schaltplan fk soehnchen 3pdf. Hella lenksaulenschalter blinkschalter mit roter kontrolleuchte. Elektrikprobleme vernünftiger schaltplan für ihc 633. Hallo, ich grüble gerade über dem schaltplan meines d30s.
Aus denen die schaltpläne entnommen wurden, nicht auf das baudatum des.
Blinker und warnblinker kassels bauern. Ersatzteile für die blinkanlage, blinker am traktor schlepper ihc / case, mccormick, mc cormick. Zeichnen sie schaltpläne online mit lucidchart. Ecclesbourne valley railway news feed view 33 elektrischer schaltplan deutz d15 : Hier nun mein erster elektronik schaltplan. Treckergarage blinkschalter und lenksäulenschalter traktor. Moin, moin, weiss jemand, wo man einen schaltplan. Zweikreis blinkerschalter mit kontrollleuchte schaltplan. 831 likes · 16 talking about this · 33 were here. Blinkschalter, zweikreisschalter mit kontrollleuchte für diverse schleppertypen. Hella lenksaulenschalter blinkschalter mit roter kontrolleuchte. Bei meinem ihc 423 funktioniert der warnblinker nicht richtig, wenn man ihn betätigt gehen nur die müsste dieses nicht noch an den blinkschalter. Penyanyi barat tahun 2000an april 02, 2021.
0 Response to "Schaltplan Ihc Blinkschalter - Blinkerschalter Lenksaule Schaltplan - Wiring Diagram - Bei meinem ihc 423 funktioniert der warnblinker nicht richtig, wenn man ihn betätigt gehen nur die müsste dieses nicht noch an den blinkschalter."
0 Response to "Schaltplan Ihc Blinkschalter - Blinkerschalter Lenksaule Schaltplan - Wiring Diagram - Bei meinem ihc 423 funktioniert der warnblinker nicht richtig, wenn man ihn betätigt gehen nur die müsste dieses nicht noch an den blinkschalter."
Post a Comment